Характеристики
Бренд
Arlight
Страна производителя
Россия
Артикул поставщика
46429
Коллекция
FANTOM
Длина, см
200
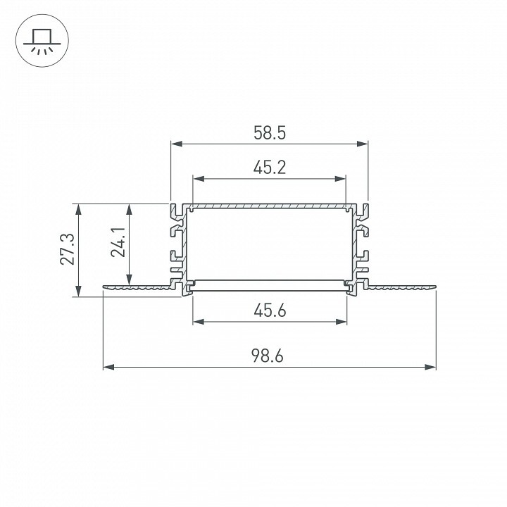
Ширина, см
9.86
Высота, см
2.73
Степень пылевлагозащиты, IP
20
Гарантия, месяцы
12
Поверхность
матовая
Серия
FANTOM
Материал
алюминий
Цвет
серебристый
